特集2 ぎんさんの若さの秘密 肉体は80歳」きれいで、やわらかい動脈
病理医が“聞いた”最後のメッセージとは?
二〇〇一年二月二八日、出勤途中にラジオのニュースで”ぎんさんが亡くなった”ことを知りました。自分のおばあちゃんをなくしたような気持ちで職場に着 くと、すぐ、病理医師の私に「ぎんさんの病理解剖をしてほしい」と連絡がはいりました。
ぎんさんは、私たち南生協病院の名誉院長、室生昇医師が往診していた患者さんです。ご自宅で亡くなりましたが、室生医師がご家族に「医学の向上のため解 剖させていただけないか」とお願いしたら、快く承諾していただけたとのことでした。
ところで、「病理医」とは何か、ご存じですか? 最近テレビドラマにちょくちょく登場します。「リング」では黒木瞳さん、「サトラレ」では鶴田真由さ ん、「ナイトホスピタル」では仲間由紀恵さんが演じています。
病理医は、顕微鏡を見てがんを診断したり、「病理解剖」を担当して、最終診断をしたりする医師です。
「病理解剖」は、ご遺族の了承をもらって、なくなった人のご遺体を解剖し、取り出した内臓を顕微鏡で検査して診断します。そのあと、おおぜいの医師が集 まって、生前の診断や治療について話し合います。
これによって私たち医師は、亡くなった方から、たくさんのことを学びます。テレビ「白い巨塔」に出てくる病理医、大河内教授の言葉を借りれば、「病理解 剖とは、ひとつの生命の死を次の人の生によみがえらせる尊いもの」。いわば、自分の体をていして社会に人生最後の貢献をすること、ともいえるでしょう。
「先生、注射へただな」
成田きんさん・蟹江ぎんさんのお二人は、一八九二年八月一日、名古屋市南部にある鳴海の農家に双子として生まれました。「きんちゃん、ぎんちゃん」の名は成海神社の神主さんがつけました。姉のきんさんは、おてんばさんで、妹のぎんさんは勉強好きな子だったそうです。
ぎんさんは、二一歳のときお見合いで農家へ嫁ぎ、五人の女の子を産みました。うち一人は幼いうちに病気で亡くなり、とてもつらい思いをされたそうです。
一〇〇歳になって、テレビCMで有名になりました。病院には縁のない丈夫な方でしたが、犬にかまれたときなど、当院を受診しておられました。傷の治りは 非常にはやかったと聞いています。往診していた室生名誉院長を「先生、注射へただな」とからかったりすることもあったようです。老人医療改悪反対に署名を いただいたこともありました。
一〇五歳ころからやや痴呆症状がでてきて、とくに、きんさんが一〇七歳で亡くなってからは元気がなくなっていました。
体は20歳若かった
ぎんさんが亡くなったのは一〇八歳。そのご遺体を病理解剖して、私が一番おどろいたことは、ぎんさんの動脈の若わかしさでした。
ふつう、動脈は年とともに硬くなるものですが、ぎんさんのは柔らかく、新聞には、「ぎんさんの体は20歳若かった!」とか、「ぎんさんの肉体年齢は80 歳!」とか、報道されました。これは、記者会見で私がいった言葉なのですが、もっと若くいってもよいと思ったくらいです。
日本人の死因は、動脈硬化が原因でおこる心筋梗塞、脳血管障害(脳梗塞など)が、がんについで多いとされています。これらの病気にならなければ、長生き できる率も高まるりくつですが、ぎんさんのご長寿もまさにその証明になりました。
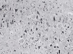
動脈硬化が軽かったことは、脳にもよい影響がありました。ぎんさんは、脳の血管も非常にきれいで、アルツハイマーにみられる神経細胞の変化が少しありま したが、動脈硬化による脳の変化はありませんでした。ふつう一〇〇歳以上になると、脳のなかで痴呆の病変が合併することが多く、痴呆の程度も重くなるとさ れています。ぎんさんは一〇五歳ころまで痴呆がなくカクシャクとしておられましたが、それは動脈硬化の軽さと関係が深かったのです。
|
|
魚とお茶が大好き
どうしてぎんさんの動脈硬化は軽かったのでしょうか。
ポイントの一つは、食生活です。ぎんさんは何でも食べ、好き嫌いはなかったそうです。しいていえば、にんじんがあまり好きでないとのことでしたが、大事 なのは、なんでも食べるという食生活のバランスです。
ここでは、ぎんさんが大好きだった魚とお茶を取り上げます。
ぎんさんは若いころから、川の近くに住んでいたので、海草や小魚が食卓に並ぶことが多かったそうです。魚のたんぱく質は良質で、魚の油には血液をさらさ らにする成分があります。この効果は二四時間持続するそうです。といっても、油ですから食べすぎはダメです。一回に切り身なら一きれ程度がよいようです。 ぎんさんは、ほとんど毎日魚を食べておられましたが、一般的な目安としては一週間に五食以上、魚料理があるといいようです。
また、ぎんさんは一日に何杯もお茶をのまれたそうです。お茶には、カテキンという成分がはいっています。カテキンはいっぱい体によい作用をしますが、動 脈硬化との関係でだいじなのは「抗酸化作用」です。
人間は「血管とともに老いる」といわれ、動脈硬化は老化の代名詞です。酸素を体の中で代謝するとき活性酸素というものができ、これが人体のいろんな細胞 をそこなうことで、「老化」はおきます。活性酸素が悪さをする、それを抑える働きが「抗酸化作用」です。この作用のあるカテキンは、紅茶やウーロン茶より 日本茶に多いことがわかっています。
お茶ののみ方にもじつはコツがあるので、お教えしましょう。
一日に少なくとも五杯以上、それもいっぺんにのむよりは一日のうちで何度にも分けてのむのがよい。「まだ緑色がでるから」と、出がらしでお茶をいれるの はだめ。出がらしにカテキンはほとんどないので、いつも新しい茶葉でいれることです。また、温かいうちにのむほうがカテキンの吸収によいといわれます。
![]() |
![]() |
| 脳の動脈(矢印)やはり柔らかい血管で、脳梗塞などはありませんでした | 脳を顕微鏡でみたところ 変性しているアルツハイマーの像(○印)がみられましたが、動脈硬化による脳の変化はありません |
食卓をみんなで囲んだ
食生活でもう一つ、もっと大事なこと。それは「食事のしかた」です。
ぎんさんの家では、夕食は家族みんなで食卓を囲むのが日課だったそうです。ぎんさんから、ひ孫まで、みん なの顔がそろうのです。自然に、たくさんの種類の食物が食卓にならび、バランスもよくなるでしょう。なにより、”きょうも一日、ひいばあちゃんも元気だっ たんだな”とか、みんなでおたがいの存在を確認しあえるような、素敵な食卓だったのです。家族一人ひとりの存在が大事にされることは、「長生きしたい」と 思う心を育てる大事な条件です。
「人間は足から死ぬ」
食生活とならんで注目されるポイントは、ぎんさんの運動習慣です。
生家は農家でしたので、若いころから足腰は丈夫でしたが、一〇〇歳になってからもずっと、毎日三〇分のお散歩が日課でした。
ぎんさんの信念は「人間は足から死ぬ」だったそうで、足腰をきたえることを実践しておられたのです。そして、お散歩で会う人にはいつも、「長生きは気力 だがね!」とおっしゃっていたそうです。
医学的にも、一日三〇分(一〇分×三回でもよい)のウォーキングを一週間に二~三回定期的につづけることで、筋肉が保たれることがわかっています。じょ うぶな筋力は、寝たきりになるのを防いでくれます。
お姉さんのきんさんは、一〇〇歳過ぎてから歩く練習を始め、みごとに歩けるようになられました。
努力をするのに遅すぎることはない、というよい例です。
「長生きの家系」だった
長寿と遺伝は関係があるといわれています。長生きの人は、両親がともに長生きだということが多いのです。 きんさん、ぎんさんの父、母、兄弟、子どもには、長生きの人が多く、ぎんさんの四人の娘さんは、いまみんな八〇歳以上で、ぴんぴんしておられます。「四人 そろって一〇〇歳以上」という記録をめざしておられるということです。
![]() |
| ぎんさんの胃 しわがしっかりしていて、粘膜もあつく、若わかしい状態でした |
ぎんさん、ありがとう
きんさん、ぎんさんの言葉に「わしらは双子だったから長生きできたんだね」というものがあります。
おたがいに励ましあったり、ときにはライバルのように張り合える人がいること、それが、長生きしたいという”気力”を高めるのです。
体によいことを知っているだけではダメで、それを実践しつづける気力がないと意味がない。そのことが、ぎんさんの日常生活をふりかえって、あらためてわかります。
逆説的ですが、「体によいことを一〇〇年つづければ、一〇〇歳まで生きられる」ということだと私は思っています。
ぎんさんが私たちに教えてくれたことは、「健康で長生きするには、体によいことをつづけていく気力が大事ですよ」ということではないでしょうか。一人で はがんばれないことも、仲間がいればがんばれます。健康づくりも、医療をよくする運動も、仲間がいてこそつづけられます。その強みを生かして、みなさんは 健康長寿をめざしてください。
以上お話ししたことはみんな、ぎんさんから私たちへの”最後のメッセージ”だと思います。こんな素敵なメッセージをくださったぎんさんと、ぎんさんのご 家族に、心から感謝を贈りたいと思います。
いつでも元気 2004.4 No.150





